Page 1 of 2
toggle switch ignition switch
Posted: Sat May 01, 2010 1:44 am
by Elite50USD
I bought my elite without an ignition switch. it's simply hot wired. Obviously this is a bit easy to steal so I want to run a toggle ignition switch in the glove box for a bit of a deterrent, I can't figure out how to wire it up so that I can use the electric start. can someone tell me what wires need to be together to have the elctric starter to spin? right now there are 5 wires four of them are connected to eachother. as in in groups of two and then the green one is left flopping round. what do i do?
thanks guys.
Re: toggle switch ignition switch
Posted: Sat May 01, 2010 3:27 am
by fightingplankton
the answer could have been found here,
http://www.hondaspree.net/phpBB3/viewto ... re#p111556
but some crybaby got his feelings hurt and removed all of his posts.
Re: toggle switch ignition switch
Posted: Sat May 01, 2010 11:47 am
by Bear45-70
You said it not me.
Here fill this out it will make you feel better.
Maybe when Bobo and is morons see it they will give you a government grant for having hurt feeling.

Re: toggle switch ignition switch
Posted: Sat May 01, 2010 7:25 pm
by mousewheels
Hi,
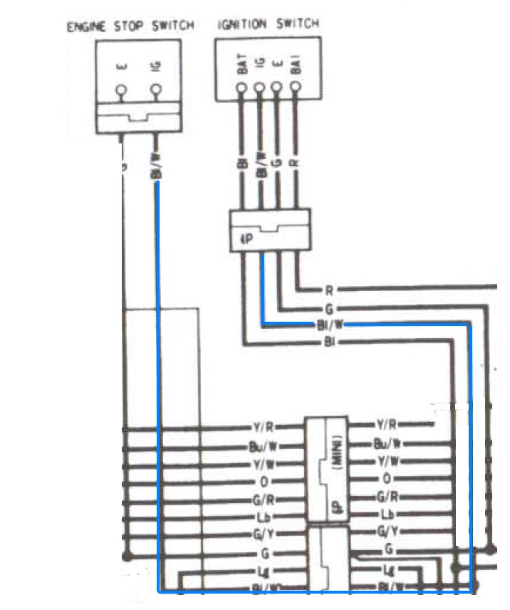
The stock ignition switch had 4 contacts. You should have a double pole, double throw switch (DPDT)
In the "ON" position, the Red (+12v Battery) is connected to the Black wire (+12v switched)
In the "OFF" position, the green wire is connected to the Black/White stripe wire. That kills the engine. Its possible to just leave the Black/White strip wire open and use the RUN/Stop switch on the right control instead. But sooner or later someone might forget to turn off the +12v switch, and drain the battery.
In a stock wired bike, the next step in starting is the brake lever must be pulled, (Gives power to one side of the starter relay coil), and the 'Start' button pressed. That applies ground to the other side of the starter relay coil. Relay coil should be heard to be clicking at this point. If not post back for troubleshooting info.
Also - what color is the 5th wire you have at the ignition? There should only be 4 wires at the ignition switch. Maybe we can figure out what that should tie to.
-- mousewheels
Re: toggle switch ignition switch
Posted: Sun May 02, 2010 1:33 am
by Elite50USD
right now there are 5 wires. red is twisted to black (2) black with wire stripe is twisted to black with white stripe (2) and then there is Green( 1)
2+2+1=5
Re: toggle switch ignition switch
Posted: Sun May 02, 2010 2:12 am
by fightingplankton
Elite50USD wrote:black with wire stripe is twisted to black with white stripe (2)
2+2+1=5
this may be your problem.
Re: toggle switch ignition switch
Posted: Sun May 02, 2010 4:22 am
by mousewheels
2 + 2 + 1 = 5 ---> Yes - unless it's me doing the addition. But I did that when I read your posting, and got 5 too. Fact is OEM ignition switch connection has 4 wires. Anyway given the wire color (if that's just a typo and you mean Black/White stripe) I'm inclined to think yours is fine as is. The previous owner probably knew what he was doing.
----- Let's get the wiring diagram out, and talk about this ---
There are two nodes that use the Black wire/ White stripe. Run/Stop switch and ignition. They are wired as an "OR" logic, you can kill the engine by turning the Run/Stop to Stop OR the ignition off.
Now the *factory* wiring as I said only runs 4 wires to the ignition switch. the node that joins the Run/Stop switch and Ignition switch is normally after the ignition switch connector. In your case, it sounds as though the previous owner cut off the connector and performed some wiring of his own. 2 Black/White stripe wires tied to the switch, it's probably fine. If you want you can trace their connection back to the CDI and verify all is ok. But this has nothing to do with the starter not activating.
--- Starter not activating ---
Now if you have enough of the wiring that your brake light will light when the toggle switch is "ON" and the brake is pulled AND you press the start button, there's another problem that needs troubleshooting. Do you have the Brake light working?
--- thanks - mousewheels

- Elite_Run_Stop.JPG (54.31 KiB) Viewed 8264 times
Re: toggle switch ignition switch
Posted: Tue May 04, 2010 12:54 pm
by Elite50USD
alright, update here. I got a battery hooked it up and all was well. Sort of anyway. I wired up a keyed ignition to the red and black wires. (Key on, electric start works, key off electric start doesn't work. Awesome. however, I have since learned that a "universal ignition switch" from Autozone wil not let me wire the system like the original keyed ignition switch. There is no way to have it so when I turn the key off it disables the kickstart. This is lame, to say the least. I want to have some sort of theft prevention in place, and I'd rather not take the kickstart lever off because when the battery somehow dies I'm going to be stranded. So, Scooter gods, what can I do to wire up something that in the off position it kills the electric start AND the kickstart. I'm not opposed to just hiding a switch somewhere either. What I am opposed to is spending retarded amounts for a new elite ignition switch.
Thanks
Eric.
Re: toggle switch ignition switch
Posted: Tue May 04, 2010 1:32 pm
by Fishman43
How about putting in a secondary toggle switch to the stock run/kill switch in the GB. Just wire the hidden switch in line before the stock switch, meaning you will have to toggle on the hidden switch for the stock switch to work.
Re: toggle switch ignition switch
Posted: Tue May 04, 2010 1:58 pm
by mousewheels
If you want to wire 2 more points than a hidden switch, you can make it work just like the factory Ignition switch. Cost wise a +12v DC coil relay could be about the same cost.
Wiring the coil to the +12v switched wire (Black) and ground (Green) will make so it only draws power (minimal power) when the ignition is on, zero with it off.
Next - wiring the Black Wire/Red stripe to the "Normally On" contact and the "Common" relay contact to ground. This will make ignition off, no power case cause the ign to be disabled too.
Re: toggle switch ignition switch
Posted: Tue May 04, 2010 3:10 pm
by Bear45-70
Elite50USD wrote:........................................................There is no way to have it so when I turn the key off it disables the kickstart. This is lame, to say the least.................................
Never heard or seen this an any sccoter or motorcylce in my life. How the * does an electric switch turn off a mechanical device that has no electrical connections?
Re: toggle switch ignition switch
Posted: Tue May 04, 2010 3:31 pm
by fightingplankton
Bear45-70 wrote:Elite50USD wrote:........................................................There is no way to have it so when I turn the key off it disables the kickstart. This is lame, to say the least.................................
Never heard or seen this an any sccoter or motorcylce in my life. How the * does an electric switch turn off a mechanical device that has no electrical connections?
if your kill switch is in the off position...does it not stop your bike from starting? even w/ using kick?
Re: toggle switch ignition switch
Posted: Tue May 04, 2010 4:13 pm
by Bear45-70
fightingplankton wrote:Bear45-70 wrote:Elite50USD wrote:........................................................There is no way to have it so when I turn the key off it disables the kickstart. This is lame, to say the least.................................
Never heard or seen this an any sccoter or motorcylce in my life. How the * does an electric switch turn off a mechanical device that has no electrical connections?
if your kill switch is in the off position...does it not stop your bike from starting? even w/ using kick?
Shutting off the motor electrically does not disable the kick starter. To disable something you have to make it "NOT WORK". There is no electrical connection to physically disable the kick starter an any motorcycle or scooter I ever heard of. It will turn over the motor, electricity on or not.
Re: toggle switch ignition switch
Posted: Tue May 04, 2010 4:20 pm
by Elite50USD
still with the kill switch in the off position it won't let the kicker work.....
Re: toggle switch ignition switch
Posted: Tue May 04, 2010 4:26 pm
by Bear45-70
Elite50USD wrote:still with the kill switch in the off position it won't let the kicker work.....
With the OEM key in the off position the kick starter won't start the damned thing. BUT the kick starter is NOT disable. Good God, does no one speak and understand the English language anymore?
