2001 Elite No Electric Wont Start
Moderator: Moderator
2001 Elite No Electric Wont Start
So last fall I was riding and the moped abruptly died. After messing with it for a while today this is what Ive got. The oil light which is always on after plugging the oil pump only comes on when i jiggle the left break handle. When I pull the break handle in the light goes off and the electric no longer works. So could someone explain how the electrical system is somehow tied into the rear break handle?
2001 Honda Elite
Re: 2001 Elite No Electric Wont Start
The brake lever is connected to a ground wire, which is common throughout the whole scooter. Maybe a short in the lever wiring is causing the whole electrical system to short out? To test, I'd swap plugs on the 2 brake handles. If squeezing the right lever now does the same thing as the left did, the short is in the harness. If it doesn't have the problem anymore, then you need to look at the wiring from the plug to the left lever or replace the left lever assembly.
-
mousewheels
- Veteran OG

- Posts: 3487
- Joined: Tue May 22, 2007 8:10 pm
- Location: North of Seattle, WA
Re: 2001 Elite No Electric Wont Start
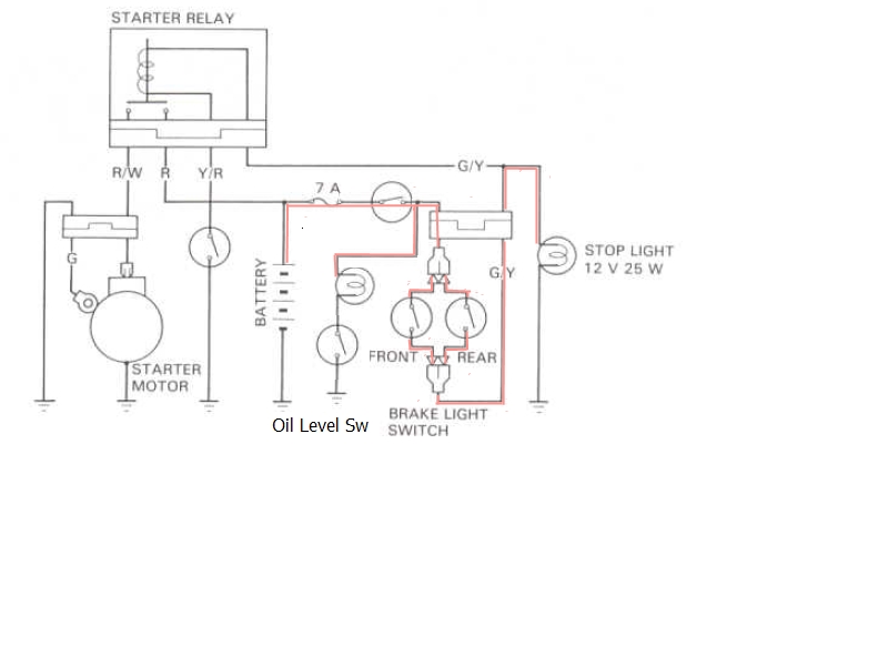
No - time to bring a diagram out. Brake switches are not switching ground for the tail light. The brake switch is the +12v side.The brake lever is connected to a ground wire, which is common throughout the whole scooter. Maybe a short in the lever wiring is causing the whole electrical system to short out?
The oil switch switches the ground side of the indicator.
*If there were a short between the brake switch wire to oil level switch*, AND *the oil level was low enough the oil switch were closed* it would put a direct short to ground of the +12v switched battery. That might pop the fuse.
--- For the original poster
If your fuse is not blowing with the left lever pull, there may be other problems.
How's your electrical system in general?
Do your turn signals work? If you pull the Right rather than Left lever, does your brake light light strongly?
- Attachments
-
- BrakeLever_And_OilSwitch.jpg (75.09 KiB) Viewed 2371 times
Re: 2001 Elite No Electric Wont Start
Like I said the electrical stuff seems to work if i jiggle the handle a bit. The horn will work faintly (battery is low after winter storage) but you can hear it honk. Its just as soon as I pull the handle back in it stops working again and I will have to re jiggle the handle to get it to work again.
2001 Honda Elite

